|
|
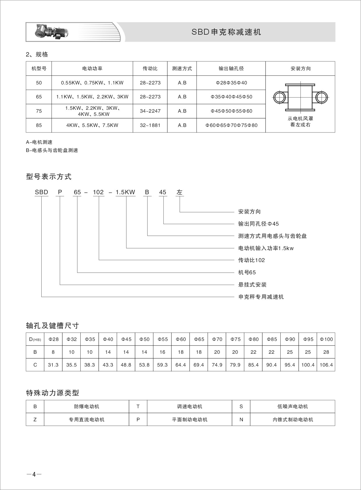
详细介绍
概述
SBD减速机二级传动是由二部分组合而成。第一部分(高速级)采用内齿为针销。外齿为短幅摆线齿的方式,第二部分(低速级)采用弧齿锥齿方式。轴孔输出传动齿轮都经过热处理淬火后硬度达HRC58-60.它是硬齿面减速机二特点高速比,效率高结构紧凑体积小,运转平稳,噪音低,使用寿命长,使用正反转。
折叠性能特
SBD申克称减速机性能特点:
配套于TDG调速秤上一般有SBD50型和SBD65型两种,功率在0.37KW-1.5KW。流量大的称配SBD75型根据用户台时产量的大小,配置相应的功率,同时根据现场工艺、空间大小,需注明左装还是右装。
SBD申克称 减速机性能特点:1.SBD申克称减速电机申克称运行维护成本低。正常运行,环形皮带使用寿命可长达5年以上,节电20~40%;专门的快捷更换皮带方式,只须两个人便可迅速更换皮带。2.动定量调节精度高;调节范围宽(调速比≥20:1,皮带速度5cm/min~15m/min)。低速时仍具有良好的线性调速性能,可大大减少皮带的磨损,避免大块物料卡料损伤。3.SBD申克称减速电机高可靠性的变频调速技术,宽皮带;厚料层;低速运行,因而具有运转平稳;接近静态的计量精度。动态计量精度优于1.0%;静态计量精度优于0.5%,精密型可达0.125%。4.根据企业的工艺要求"量体裁衣",进行现场设计,保证选型合理、运行可靠。配置灵活,可根据工艺要求选用不同类型设备,如水泥配料线,选用耐高温皮带秤;粉状物料选用密封皮带秤。5.申克称性能价格比好。采用国际最新技术,结合多年实践不断改进完善。实现了皮带自动对中自动张力调整;仿形清扫器,辊轴承防尘设计等。控制精度高,稳定性好,价格仅为进口同类产品的1/4~1/5。维护:不同的润滑油禁止相互混合使用。油位螺塞、放油螺塞和通气器的位置由安装位置决定。
折叠型号与规格
申克秤秤专用减速机(皮带秤专用减速机)型号和规格
型号:SBD系列:50;65;75;85(SBD50、65、75、85申克称专用减速机,皮带秤专用减速机,电子秤专用减速机,给料机专用减速机等名称)
SBD50-0.55KW SBD50-0.75KW SBD50-1.1KW
SBD65-1.1KW SBD65-1.5KW SBD65-2.2KW SBD65-3.0KW
SBD75-1.5KW SBD75-2.2KW SBD75-3.0KW SBD75-4.0KW SBD75-5.5KW
SBD85-4KW SBD85-5.5KW SBD85-7.5KW
折叠SBD减速机安装
SBD减速机安装方式:
1、SBD皮带秤减速机为孔输出,安装时应保证减速机输出孔与主机轴为滑动配合,严禁敲击减速机的任何部位;
2、SBD皮带秤减速机分为法兰安装、悬挂式安装和脚板安装;
a、法兰安装时,主机的安装平面应平整并与主机轴保持垂直。
b、悬挂式安装时,扭力支撑固定良好。
c、脚板式安装时,应保证减速机的输出轴孔与主机轴保持同轴。
3、安装后减速机正式使用前必进行试运转,空在运行正常后,再逐渐加载运行。
SBD减速机安装图纸:




